微型电动球阀
三大优势
价格合理、质量稳定、交货快捷
专业服务
提供全套工程阀门解决方案,阀门售前、售中、售后专业服务
销售热线:021-64162222
图文传真:021-62677999
技术支持:021-60510333

三大优势
价格合理、质量稳定、交货快捷
专业服务
提供全套工程阀门解决方案,阀门售前、售中、售后专业服务
销售热线:021-64162222
图文传真:021-62677999
技术支持:021-60510333
一.微型电动球阀产品简介:
微型电动球阀可以实现角度调节,对流量进行控制。产品适用于IC卡智能水表、热计量表;中央空调风机盘管、消防喷淋等;高校节水、自动控制系统、工业自控等小型设备;环保、给排水、水处理工程;替换电磁阀不能正常使用的场合;节水器具、饮用水设备等。
二.微型电动球阀产品特点:
1、外形美观,体积小巧,全金属齿轮传动机构,性能可靠,输出扭矩大,使用寿命长;
2、电气限位,定位准确,一致性很高;
3、执行器和阀门可以多角度装配,方便于对于空间的分配需求;
4、球阀采用浮动密封结构,无滴漏,适用于重污垢及长期无动作的场合;
5、替换电磁阀或电磁阀不能正常工作的环境;
6、防护等级可达到IP65,可在相对潮湿的环境中使用。
三.微型电动球阀产品相关主要技术参数:

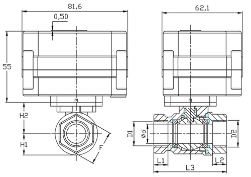
四.C-60P微型电动球阀产品外形示意图:

五.微型电动球阀产品外形尺寸表(单位mm):
